
В современных системах распределения электроэнергииВакуумный выключатель (VCB)играет решающую роль в обеспечении безопасности, надежности и эффективности. Среди основных компонентов VCB можно назватьтюльпан контактвыделяется как важная электрическая деталь, предназначенная для обеспечения стабильной проводимости тока, низкого сопротивления и высокой долговечности в суровых условиях.
В этой статье представленыКонтакт-тюльпан для вакуумного выключателя VCB Электрические компоненты распределительного устройства высокого напряжения EB-5-630A (12 шт.), прикрывая еготехнические преимущества, преимущества продукта, план модернизации и обслуживания, условия установкии многое другое. Оно написано для инженеров, менеджеров по закупкам и предприятий, которым требуетсявысококачественные компоненты распределительных устройствкоторые соответствуют международным стандартам.
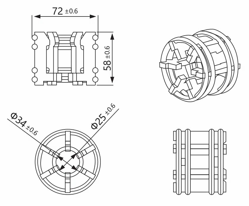
Контакт-тюльпан ЕВ-5-630Апредставляет собой прецизионный электрический компонент, разработанный специально длявакуумные выключатели среднего и высокого напряжения. Это обеспечиваетнизкоомное соединениемежду подвижными и неподвижными контактами, сохраняя при этом механическую прочность при частых операциях.
| Параметр | Ценить |
|---|---|
| Модель | ЕВ-5-630А |
| Номинальный ток | 630А |
| Приложение | Вакуумный выключатель (VCB) |
| Материал | Медный сплав с серебряным покрытием |
| Структура | Многопружинный дизайн пальцев-тюльпанов |
| Рабочее напряжение | До 12 кВ/24 кВ в зависимости от системы |
| Контактное сопротивление | ≤ 60 мкОм |
| Механическая жизнь | ≥ 10 000 операций |
| Количество в комплекте | 12 штук |
Материалы с высокой проводимостью– Изготовлен из медного сплава с серебряным покрытием для обеспечения низкого сопротивления и превосходной проводимости.
Дизайн тюльпана с пружинным пальцем– Несколько контактных пальцев обеспечивают равномерное контактное давление, уменьшая локальный нагрев.
Сопротивление дуги– Оптимизирован для высоковольтных коммутационных приложений с минимальной эрозией.
Термическая стабильность– Способны выдерживать постоянный номинальный ток без перегрева.
Совместимость- Подходит для широкого спектраМодели VCBи высоковольтные распределительные устройства.
Низкое контактное сопротивление обеспечиваетэффективная передача мощности.
Серебряное покрытие улучшаетстойкость к окислению, сохраняя проводимость даже в суровых условиях.
Стабильная работа подвысокие скачки токаиусловия короткого замыкания.
Предназначен для10 000+ механических операцийбез ухудшения производительности.
Пружинная конструкция с несколькими пальцами поглощает вибрацию и механическое напряжение.
Оптимизированная структура снижаеттермический подъем.
Обеспечивает долгосрочную стабильность внепрерывная работа.
Поддерживает постоянное контактное давление.
Предотвращаетискрение и перегрев, обеспечивая надежную работу выключателя.
Контакт-тюльпан EB-5-630A гарантируетбезопасная электрическая проводимость, снижая риски неудач, которые могут привести котключение электроэнергии в системеилиповреждение оборудования.
Благодаря своемуизносостойкая конструкция и качественные материалы, контакт-тюльпан имеет длительный срок эксплуатации, что снижает частоту замены и затраты на техническое обслуживание.
Сокращение времени простоя благодаря надежной работе.
Более низкая совокупная стоимость владения (TCO) по сравнению с альтернативами низкого качества.
Совместим с большинствомстандартизированные конструкции VCB.
Простая установка и снятие позволяютбыстрая заменаво время технического обслуживания.
Надежно работает ввысокая температура, влажная или пыльная среда.
Подходит дляподстанции, промышленные предприятия и объекты возобновляемой энергетики.
Для обеспечения оптимальной работы тюльпанный контакт следует регулярно проверять и обслуживать:
| Интервал технического обслуживания | Ключевые действия |
|---|---|
| Каждые 6 месяцев | Осмотрите контактные пальцы на предмет износа и изменения цвета. |
| Каждые 12 месяцев | Измерьте контактное сопротивление микроомметром. |
| Каждые 24 месяца | Очистите посеребренные поверхности и повторно нанесите проводящую смазку. |
| Каждые 48 месяцев | Замените контакты-тюльпаны, если обнаружен чрезмерный износ или увеличение сопротивления. |
Повышенная рабочая температура.
Видимая эрозия на посеребренной поверхности.
Контактное сопротивление превышает60 мкОм.

Обновите доусиленные контакты типа «тюльпан»для приложений с более высоким током (например, 1250 А, 2500 А).
Использоватьулучшенные пружинные сплавыдля большей выносливости в тяжелых циклах.
Всегда держите набор12 запасных частейдоступен на месте.
Хранить всухая, беспыльная средадля сохранения серебряного покрытия.
Температура окружающей среды: от -25°C до +45°C.
Относительная влажность: ≤ 90% при 25°C.
Высота: ≤ 1000 метров (требуется снижение номинальных характеристик выше).
Уровень загрязнения: Класс от II до III.
Гарантироватьточное выравниваниеподвижных и неподвижных контактов ВКБ.
Значения крутящего момента для крепежных болтов должны соответствовать рекомендациям производителя.
Избегайте механических воздействий во время установки, чтобы предотвратитьпружинная деформация.
Выключите и изолируйте VCB.
Снимите изношенный блок контактов-тюльпана.
Очистите неподвижные и подвижные контактные поверхности.
Установите новые контакты-тюльпан EB-5-630A.
Затяните болты указанным моментом.
Перед повторной подачей питания выполните проверку сопротивления контактов.
Используется вподстанции и распределительные устройствадля надежного распределения среднего напряжения.
Найдено всталелитейные заводы, горнодобывающие предприятия и химические предприятиягде стабильное питание имеет решающее значение.
Применяется всистемы интеграции солнечной и ветровой энергии, обеспечивая плавное подключение к сети.
Подходит длястанции метро, аэропорты и центры обработки данныхтребующийбесперебойное электропитание.
| Особенность | EB-5-630A Тюльпан Контакт | Обычный контакт |
|---|---|---|
| Электрическая проводимость | Высококачественный медный сплав с посеребренным покрытием. | Умеренная, стандартная медь |
| Механическая выносливость | ≥10 000 операций | 3000–5000 операций |
| Теплостойкость | Отличная термическая стабильность | Склонен к перегреву |
| Контактное давление | Униформа с несколькими пальцами | Неравномерный, ограниченный |
| Цикл обслуживания | Длинные интервалы | Необходимы частые проверки |
Контакт-тюльпан EB-5-630A соответствуетмеждународные электрические стандартыдля обеспечения надежности и безопасности.
МЭК 62271-100: Нормы высоковольтных распределительных устройств.
ИСО 9001: Сертификация системы менеджмента качества.
Соответствие RoHS: Экологически чистые материалы.
Каждое подразделение проходит строгийзаводские испытания:
Измерение контактного сопротивления.
Сильноточные термические испытания.
Циклическое испытание на механическую выносливость.
Стандартная упаковка:12 штук в коробке.
Ударопрочный защитный корпус для предотвращения повреждений при транспортировке.
Индивидуальная упаковка доступна по запросу для клиентов OEM/ODM.
Подтвержденный послужной списокв высоковольтных приложениях.
Конкурентные ценыбез ущерба для качества.
Индивидуальная инженерная поддержкадля особых требований.
Глобальная сеть поставокс надежными графиками поставок.
Контакт-тюльпан для вакуумного выключателя VCB Электрические компоненты распределительного устройства высокого напряжения EB-5-630A (12 шт.)этокритический компонентчто гарантируетбезопасная и эффективная работавакуумных выключателей. Ссовременные материалы, прочная конструкция и проверенная надежность, это обеспечивает длительный срок службы и снижение затрат на техническое обслуживание систем распределения электроэнергии по всему миру.
Для отраслей, стремящихсявысококачественные электрические компоненты, контакт-тюльпан EB-5-630A являетсяидеальный выбордля повышения безопасности системы, сокращения времени простоя и оптимизации энергопотребления.
Телефон: +8613736779975
Электронная почта: sales@vcbbreaker.com
Воды: дорога 66, зона экономического развития, Чжэцзи, Китай.
© Eberry Electric Group, 2025. Все права защищены.
Этот веб-сайт использует файлы cookie, чтобы обеспечить вам максимально эффективное использование нашего веб-сайта.